СКИДКА 10% при заказе через корзину
Сопутствующие товары
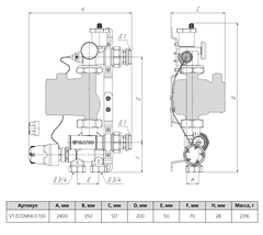
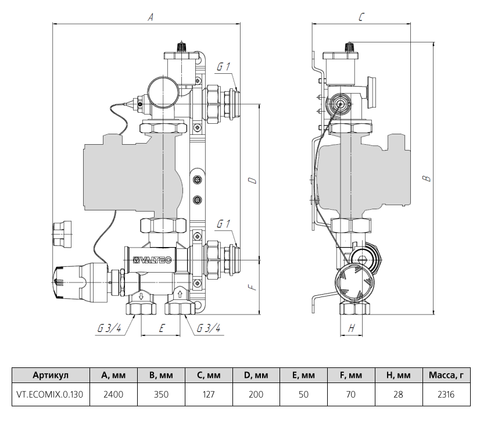
Насосно-смесительный узел Valtec VT.ECOMIX.0.130, без насоса 130 мм предназначенд для создания в системе отопления здания циркуляционного контура с пониженными параметрами теплоносителя относительно источника тепловой энергии.
Насосно-смесительный узел Валтек Экомикс обеспечивает поддержание заданной температуры во вторичном циркуляционном контуре, его гидравлическую увязку с первичным контуром, а также позволяет регулировать температуру и расход теплоносителя во вторичном контуре в зависимости от пользовательских настроек.
Насосно-смесительный узел ECOMIX может использоваться в системах встроенного обогрева: тёплые полы, тёплые стены, обогрев открытых площадок и.т.д.
Насосно-смесительный узел адаптирован для совместного применения с коллекторными блоками с межцентровым расстоянием 200 мм (между подающей и обратной гребенкой) и присоединительной резьбой 1".
Монтажная длина используемого насоса должна быть 130 мм (например VRS.254.13, VRS.256.13).
Узел может работать под управлением контроллеров с погодозависимым регулированием VT.K400 и VT.K500. В этом случае вместо термоголовки с выносным датчиком на термостатический клапан устанавливается электротермический сервопривод VT.TE3043.0.024 или VT.TE3043.A.024.

| Паспорт на насосно-смесительный узел для теплого пола VALTEC ECOMIX |
| Декларация до 2030 года |
| Изготовитель | VALTEC |
| Серия | VT.ECOMIX.0 |
| Категория товара | насосно-смесительный узел |
| Назначение | системы тёплых полов, тёплых стен, обогрев открытых площадок, почвенный обогрев теплиц |
| Управление | термостатическая головка |
| Рабочее давление | до 10 бар |
| Мощность | до 12,5 кВт |
| Монтажная длина насоса | 130 мм |
| Температура рабочей среды в первичном контуре | до +90°C |
| Диапазон регулирования во вторичном контуре | от +20°C до +65°C |
| Шкала термометра | от +0°C до +90°C |
| Подключение | 1 1/2" |
| Номинальное давление | 10 бар |
| Перепад давления | до 1 бара |
| Наличие насоса в комплекте | нет |
| Диаметр подключения к высокотемпературному контуру | 3/4" ВР |
| Диаметр подключения к низкотемпературному контуру | 1" НР |
| Межосевое расстояние | 200 мм |
| Ширина | 240 мм |
| Высота | 350 мм |
| Вес | 2316 г |
| Официальная гарантия производителя | 10 лет |
| Страна происхождения бренда | Китай |
Мы принимаем оплату за товары в российских рублях наличными.
Самовывоз - бесплатно (только после согласования с менеджером!)
Доставка по Москве в пределах МКАД стоит 500 ₽.
На некоторые товары доставка БЕСПЛАТНАЯ - это указано в карточке таких товаров рядом с ценой.
Вы можете согласовать с экспедитором подходящий для Вас интервал времени.
Доставка за МКАД по Москве и Московской области стоит 500 ₽ + 50 ₽ за каждый километр удалённости от МКАД.
Товары весом свыше 50 кг разгружаются силами покупателя.
Если после проведения ремонта у Вас остались лишние детали, по предварительной договорённости курьер сможет приехать, обменять товар и забрать непригодившийся с возвратом денежных средств.
